从2024年下半年开始京东就开始推进BBCC(简称BC仓)仓网改革,由于BC仓项目不够成熟有很多问题,且会增加商家的物流成本,因此商家选用BC仓模式的意愿是比较低的。如果现在不是平台强制商家陆续切换BC仓,我都以为BC仓项目要烂尾了,奈何胳膊拗不过大腿,没办法,所以再把BC仓的模式也讲解一下。
第一节:BBCC模式分析
一、BBCC的模式介绍
传统模式:8大RDC仓覆盖全国,商家只需要送货到8个RDC大仓,然后系统会根据销售情况将RDC大仓的货再内配到周边的FDC小仓
BBCC模式:将8个RDC大仓降级成与其他FDC小仓同级,一共有60+个,统称为C仓;然后又增加一些城市B仓,这个B仓可以理解为集货中转仓,这一个中转仓可以将货进行分拣后再分发运往全国这60+个C仓,商家只需要将货送到B仓就行,与猫超的集货仓模式类似。
在BBCC模式里,有越库和调拨两种,同一个SKU同一个C配送中心,越库和调拨只能二选一。
1.1、 越库:B仓收货但不上架不存储,装车发运到C仓
B仓越库提供了两种越库方式:一越(商家分货),二越(京东物流分货),商家一般都是选二越的比较多。
- 一越:商家按照越库采购单流向分货、打包,将打包好的货品送至TC中转站(或使用京东物流上门揽收越库),不拆包裹不验收明细,直接按流向转运至目的C仓,运输过程中产生任何差异商家和目的C仓对接处置。
- 二越:商家按照SKU的总采购量自己送货至B仓(或使用京东物流上门揽收服务),B仓进行明细验收,由京东物流完成越库流向分货并转运至目的C仓,任何送仓货品差异商家和B仓对接处置。
1.1.1 B仓越库(一越):商家可以选择“自送TC”,或者选择“上门揽收越库”。
- 如果是自送B仓越库,那么流程将会是:1 -> 2 -> 3 -> 4 -> 5.2 -> 6 -> 7 ->8
- 如果使用上门揽收越库,那么流程将会是:1 -> 2 -> 3 -> 4 -> 5.1 -> 8
1.1.2 B仓越库(二越):商家可以选择“自送B仓越库”,或者选择“上门揽收越库”
- 如果是自送B仓越库,那么流程将会是:1 -> 2 -> 3 -> 4 -> 5.2 -> 6 -> 7 -> 8 -> 9
- 如果使用上门揽收越库,那么流程将会是:1 -> 2 -> 3 -> 4 -> 5.1 -> 6 -> 7 -> 8 -> 9
1.2、调拨:B仓需要收货上架存储,当C仓产生补货需求时,将所需货品从B仓运送至目的C仓
B仓调拨模式包含了两个流程链路,下图是B仓调拨模式的整个过程:
流程①:商家先按要求将货品提前送至B仓存储。
流程②:京东按需往C仓采购补货。
二、BBCC的收费方式
BBCC服务有B仓费用和运输费用两部分,提供调拨、越库两种合作方式。
2.1、B仓费用
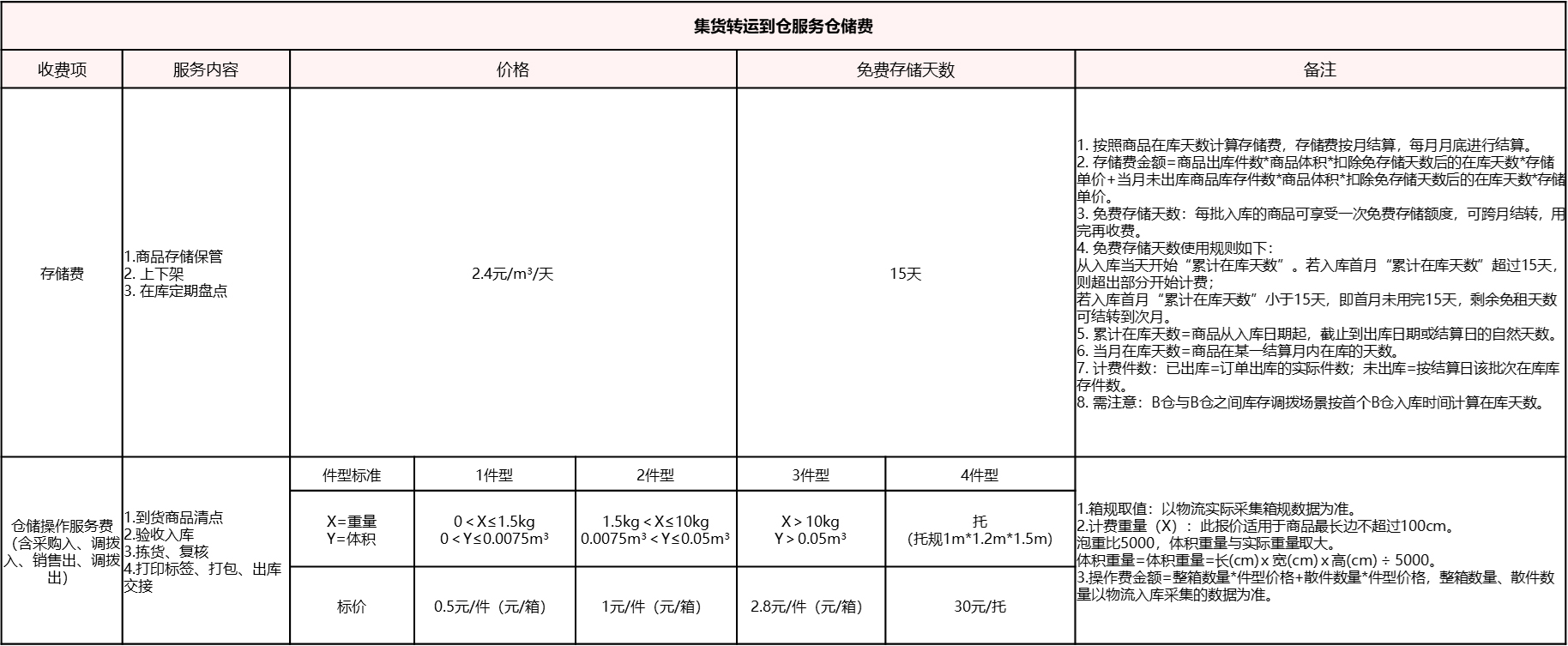
如下,是B仓费用报价单,可参考,平台会不定时调整:
2.1.1、存储费:调拨模式会收
调拨模式的时候会产生存储费,每一批入库的商品都会享有15天免费存储的政策,如果在15天以内出库则不收取费用,超过15天开始按照2.4元/m³/天计算存储费。
|
场景 |
入库时间 |
出库时间 |
在库时间 |
存储费收费 |
|
当月进当月出<15天 |
2026/1/1 |
2026/1/10 |
9天 |
免费 |
|
当月进当月出>15天 |
2026/1/1 |
2026/1/20 |
19天 |
(19-15)*2.4*在库体积 |
|
当月进次月出<15天 |
2026/1/20 |
2026/2/2 |
累计在库12天(<15天) 1月11天、2月1天 |
1月免费 2月免费 |
|
当月进次月出>15天 |
2026/1/20 |
2026/2/10 |
累计在库20天 1月11天、2月9天 |
1月免费、2月(20-15)*2.4*在库体积 |
2.1.2、操作费:越库和调拨的模式都会收
B仓操作费指商家货物进入B仓,B仓进行到货清点、验收入库、拣货复核、打印标签、打包、出库交接等从入库到出库的提供服务所收取的费用。
- 收费逻辑:根据商家送货商品,按1234件型按箱件收费,在入库环节收费。
- 箱件标准:整箱入库的商品按整箱判断件型,收取XX元/箱;散件入库的商品按单个商品判断件型,收取XX元/件。
2.1.2.1、整箱和散件的标准:
A、整箱标准:
① 一箱一品要求:箱内仅含一个SKU商品,混箱将被按照散件收货
② 固定箱规要求:每次送货的商品需按照固定箱规到货。
③ 物流包装要求:送货时外箱需符合物流包装标准,且外箱完好,无二次封箱、破损等异常,发货时可以粘贴运输标签,不符合物流包装标准的商品将被按照散件收货
B、散件标准:
①不满足整箱收货标准的商品,均视为散箱到货,按散件收货,库存信息不记录箱规,按照散件计算件型
②整箱到货,但验收时发生箱内商品短缺/破损导致部分收货不满箱的,该箱剩余货物符合收货标准的,按散件收货入库
2.1.2.2、件型标准:
|
件型标准 |
1件型 |
2件型 |
3件型 |
4件型 |
|
X=重量 Y=体积 |
0<X≤1.5kg 0<Y≤0.0075m³ |
1.5kg<X≤10kg 0.0075m³<Y≤0.05m³ |
X>10kg Y>0.05m³ |
托 (托规1m*1.2m*1.5m) |
|
标价 |
0.5元/件/箱 |
1元/件/箱 |
2.8元/件/箱 |
30元/托 |
|
商品示例 |
|
2.5L× 2 |
![]() ![]() |
![]() ![]() |
2.1.2.3、操作收费举例:
2.2、运输费
BBCC费用折扣,这块大家可以跟采销(采控)或者物流销售沟通。
三、BBCC的优劣对比
京东的BC仓模式可以实现一仓发全国,看着挺好,实际上有非常多的问题,这也是BC仓模式推动一年半来,商家不愿意选择的原因。
3.1、优势
1、省事:可以实现商家只发一B仓,就能通过这个B仓转运到全国C仓,这点比较省事。
2、免租:B调拨模式,可以多囤一点货,B仓有15天免仓租,大批量集货运输,理论上可以降低一点运输成本。
3.2、劣势
1、物流费更高:只要送B仓都会收B仓操作费,再加上需要先送到到B仓进行中转,多了一段路程,这样整体物流费肯定会比之前高,至于高多少,大家可以根据自家是实际情况进行对比。
2、送小仓时效更长:虽然B仓可以发全国C仓,但是要一个B仓往全国C进行补货,这个送货时效对比之前从RDC->FDC进行内配,大部分送仓距离都变远了,理论上需要花费更多送货时间,举例:原来哈尔滨这个FDC仓的上级RDC仓是沈阳,从沈阳调货到哈尔滨可能只需要1-2天;现在用B仓,如果你的B仓在广州,那你从广州调货到哈尔滨去可能就得需要3-4天。想要提高小仓送货时效,就需要就近增加B仓,增加B仓势必又会再增加物流成本。
3、C仓库存比例失衡:如果选用B调拨模式,系统自动出的C采购单,如果这单sku有货,那么采购单就会自动回告由系统进行调拨(如果不想调拨,需要再24小时内申请删单,删单还要看采控脸色,比较麻烦);如果这单sku没有足够库存,采购单会变为等待商家进行回告,待B仓有货后再决定是否进行调拨。这样就可能造成一些情况,例如:Asku在B仓有100件库存,上海仓出了200件调拨需求,哈儿滨仓出60件需求,荆州仓出30件需求,由于现货只有100件,上海仓的调拨不会执行,系统会先自动将哈尔滨和荆州仓的调拨安排执行,这显然不符合我们的实际配货需求。诸如此类情况存在,最后可能会出现C仓库存不均衡情况:大仓库存低,小仓滞销。
4、小仓退货麻烦:C仓太多,大部分小仓本身卖的数量不多,系统配多了容易滞销,虽然平台说可以平行代发到其他地区,但是怕是等不到那个时候,采控就给你滞销退单,去小仓提退货是个非常麻烦且成本高的一件事。
第二节:BBCC模式选择
现有的BBCC运行方式有诸多问题,让商家直接通过B仓扩展到送60+C仓,我觉得这个方案不太可行,个人推测后续可能会改成通过B仓扩展送20+C仓就差不多了,其他小仓再通过内配形式进行覆盖,这样送货效率高,商家管理库存难度也会少一些。
京东目前之所以强制推行BBCC项目,个人猜想是因为:
1、站在京东的角度,把全国60+小仓都铺满货,可以在全国大部分地区实现当日达、次日达,缩短配送时效,为做即时零售业务做铺垫,这是个战略目标;
2、把一些运输成本转嫁给商家,本身京东多了一些利润,然后还可以给京东物流多创造一些业绩。
目前,作为京东自营商家被强制转BBCC也没别的办法,京东自营有3种入仓方案可供选择,大家可以根据自身情况选择适合自家的:
1、全国直送:适合大商家
如果平台还没强制商家转BBCC,依然用直送8大RDC仓那当然是最好的,能拖多久就拖多久。
销售数量大,直送C仓的费用是比较低的,另外全国60+个仓之间要切断内配也不是一时半会就会执行的,如果平台强制扩展备货一个仓,这时候再增加一个直送仓,对大商家来说成本也不会增加多少。
2、直送部分仓+其他仓用B:适合中小商家
如果平台要强制转BBCC,建议选:直送8R+1B模式,即保留原8大RDC仓直送,然后再选一个B仓送全国其他C仓,如果觉得一个B仓送货时效太差,可以选用2-3个B。
现在有些类目即使选B大仓+1B方案,由于原有的RDC->FDC内配模式还没切断,即使不送B仓,也不会影响前端销售,采控不要求的话,大家能钻这个空子尽量钻。不过从2026年4月开始,要考核B仓履约,不送的话可能会罚款,到时候根据采控那边实际情况,自行抉择吧。
3、全国用B:适合微小商家
对于特别小商家,货量少,受最低送货费影响,送8大仓费用都会比较高,这时候直接全国用B感觉也差不了多少,还省事一些。
另外,对于BC仓选越库还是调拨,各有优劣,如果让我选我更推荐选越库,因为这样更方便掌控C仓库存。
综上,在必须选BBCC情况下,我个人比较推荐:直送8R+1B越库模式!不过有些部门不让选越库,只让选调拨,这就没办法了。
第三节:BBCC操作入仓
一、确定入仓方案
跟采销(采控)确认好BBCC入仓方案,采销(采控)负责配置,然后就可以在后台查看对应的入仓方案了。
另外,关于BBCC的合同,从2026年起,在新签订的主合同里也都加进去了,变成标准合同了。
二、配置基础信息
2.1、设置箱规:调拨和越库模式都需要操作
SKU箱规信息将用于京东向供应商的整箱采购,如:商品A维护了箱规是10件,则京东会认为10件一整箱来下采购单。B仓存储调拨场景和B仓越库场景,B仓出库均会产生出库操作费,存在整箱和拆零的计费差异,为了最大化节省费用,尽量整箱发货,因此需要提前正确维护SKU的箱规。
2.2、配置物流商家工作台:调拨模式需要操作
选择B调拨模式的商家,用这个商家工作台可能会多一些:https://wl.jdl.com ,因为调拨模式的B仓库存除了可以给自营使用,也可以给其他渠道使用,所以需要做一些配置。
2.2.1 创建售前仓店铺:自动生成,状态为启用
2.2.2 售前仓店铺信息同步:自动同步自营商品,也可手动新增
2.2.3 库存比例调整
这一步需要手工处理,表示分配给京东自营的库存比例,设置100%代表库存全部给京东自营使用。
三、下采购单
有了BBCC模式后,采购单分C仓采购单和B仓需求单两大类,其中C仓采购单的建单方式与之前没有区别,一共有三种建单途径,不懂的,也可以看之前的文章介绍:按照传统采购模式,申请下采购单。
1、智能补货自动建单,自动创建各C采购单。
2、智能分仓,提报总量后系统计算自动拆分至各仓。
3、手工建单,人工指定每个C的采购量并通过系统建单
3.1、C仓的直送采购单
与之前一致,不再陈述。
3.2、B仓越库需求单
一越:仅创建C仓采购单,商家按C仓采购单备货和预约。
二越:C仓采购单创建的同时生成B需求单,商家使用B需求单备货和预约。
B需求单生成后,可以在B需求单维度进行回告,系统自动将回告量拆分至关联的各C仓采购单。也可以在C仓采购单维度进行回告,但必须一次回告B需求单关联的所有C仓采购单。
A、在需求单维度回告
单行回告:
批量回告/一键回告:
B、在采购单维度回告
3.3、B仓调拨需求单
直接下B仓采购(不需要采控审核),B仓中库存物权归属商家,因此B仓入库不使用京东采购单,而是使用B需求单。待B仓有货后,再创建C仓采购单,就会进行B->C调拨。
3.3.1 创建B需求单与回告:
创建B需求单:
1、系统全自动建单:配置托管规则或系统参数,由京东智能补货系统自动计算需补货量并自动建单。
2、人工计算总量:系统分配到各B仓,如果使用多个B仓,可以计算全国的总需求,由系统自动分配至各B仓。
3、全人工建单:人工计算各B仓需补货量,上传至系统建单。
B需求单回告:
1、调拨模式B需求单因为涉及履约方式选择,必须进行回告。
2、调拨模式B需求单可进行批量回告并支持缺量回告。
3、调拨模式B需求单可选择两种方式进行履约:供应商自送和其它渠道库存划拨
供应商自送:商家通过三方物流或TC送货至B仓,B仓收货后京东渠道库存增加。
其它渠道库存划拨:调整商家B仓现有库存的分配,从商家其它渠道划拨库存到京东渠道,商家其它渠道库存扣减,京东渠道库存增加,系统自动完成库存调整,商家无需送货到B仓
3.3.2 B有库存,进行C仓入库
3.3.2.1 创建C仓采购单
1、智能补货自动建单,自动创建各DC采购单。
2、智能分仓,提报总量后系统计算自动拆分至各仓。
3、手工建单,人工指定每个DC的采购量并通过系统建单。
3.3.2.2 C仓采购单回告
当B仓库存可满足C仓采购需求时,无需回告;B仓库存不满足C仓采购需求时,需要人工回告。
这里需要注意,如果同一个SKU设置了多个B仓发货的,系统会根据优先级判断各C仓采购单对应哪个B仓为默认首选B仓并进行下单,如果这个首选B仓没有库存,即使其他B仓有库存,依然会提示B商家库存不足而无法调拨,这时候回告C仓采购单时候要选择跨区B履约,选择有库存的其他B仓,系统会重新生成新采购单进行履约。
A、回告规则:
|
不同入仓方案下的回告规则 |
|||
|
入仓方案 |
配送方式打标 |
是否需要人工回告 |
|
|
B调拨 |
B仓库存可满足C采购单需求 |
B调拨 |
否,无需回告 |
|
B仓库存可满足C采购单需求,但创建ECLP出库单失败 |
重试建单 |
是 |
|
|
B仓库存不满足C采购单需求 |
B商家库存不足 |
是 |
|
B、拆单逻辑
|
不同场景下B调拨模式的拆单逻辑(按覆盖C仓的第一优先级B库存判断) |
|||||||
|
场景 |
SKU |
B库存 |
采购需求 |
采购单 |
采购单量 |
配送方式 |
|
|
场景一 |
同一批建单,部分SKU缺货 |
A |
10 |
10 |
PO1 |
10 |
B调拨 |
|
B |
0 |
10 |
PO2 |
10 |
B商家库存不足 |
||
|
场景二 |
同一批建单,全部SKU均满足 |
A |
10 |
10 |
PO3 |
10 |
B调拨 |
|
B |
10 |
10 |
10 |
||||
|
场景三 |
有B仓库存但不满足建单量 |
A |
10 |
20 |
PO4 |
10 |
B调拨 |
|
PO5 |
10 |
B商家库存不足 |
|||||
3.3.2.3 C仓采购单履约
有库存无需回告的采购单,会直接进入B->C调拨阶段;B商家库存不足的采购单,不会执行调拨,等待商家进一步处理。
四、预约送仓
预约送货流程,跟之前的传统模式一致,可以参考这篇:传统模式入仓,数量少可优先用TC 。
1、直送C仓
商家按照C仓采购单备货和预约,与之前的模式一致。
2、越库(一越)
商家按C仓采购单备货和预约,仅支持使用TC送货,可选择TC上门揽收也可自送TC服务点,TC收货后直接发往目的C仓,不经过B仓。
3、越库(二越)
商家使用B需求单备货和预约:
可选择自送至B仓,B仓接收后按需求单验收明细并按目的C仓进行分货,分货后将货物发往C仓。
可选择TC上门揽收,不支持自送服务点,TC按需求单收货后送至B仓,B仓接收后验收明细并按目的C仓进行分货,分货后将商家货物发往C仓。
4、调拨
商家使用B需求单备货和预约,可选择自至B仓或者TC上门揽收:
1、仅回告为供应商自送的B需求单需要预约。
2、回告为“其它渠道库存划拨”的B需求单在回告完成后会自动执行库存划拨,无需送货。
更多京东自营运营进阶学习,请点击进入【汇总篇】京东自营基础运营笔记
更多京东自营运营进阶学习,请点击进入【汇总篇】京东自营中级运营笔记
更多京东自营运营进阶学习,请点击进入【汇总篇】京东自营高级运营笔记
京商圈










































评论前必须登录!
立即登录 注册